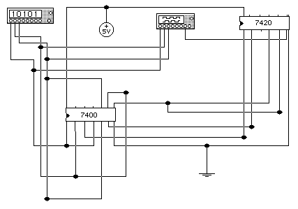
Majority Detector Circuit

     This circuit uses two Integrated circuits (ICs), a 7400 (Quad-Dual input NAND gates) and a 7420 (Dual-Quad input NAND gates) to implement a majority detector circuit. This means that if you have, as in this case, three or more inputs you may detect if you have two or more inputs at a specific time or a majority.