Welcome Home to Our Area (WHOA)!!


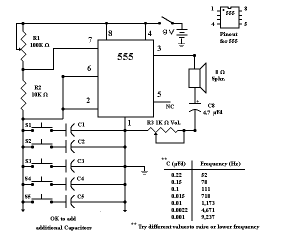
Here is a circuit that will give you different tones when you push buttons sw1 through sw5. The tones are governed by the value of the capacitor in the circuit at the time you press the button. The RC time constant in action! Note: You can add more capacitors and switches. You can also adjust R1 for a different tone too !

Click File, then Print on top of the page to get a printout.

[organ1.gif]