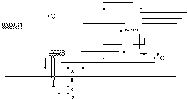
Two of Four Detector Circuit

     This is a Two-of-Four Detector circuit implemented with a 74LS151 data selector. It will detect when two of the four data bits are present. Where A, B, C and D are the data input terminals and F represents the output.. The circuit operates on a standard + 5 volt dc voltage.