|
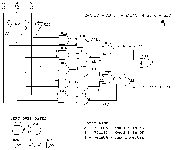
The following photos are of two stages of building a Digital Eletronics circuit. The left photo is the unsimplified version and the right photo is a simplified version of exactly the same digital function. The simplification process was achieved by using Boolean algebra and DeMorgan's Theorms to simplify the circuit to its minimum component needs. Unsimplified CircuitPlease notice that no two circuits are exactly alike. This is due to the circuit layout procedure which encourages the students to engineer their circuits to use the least amount of wiring to accomplish the digital circuits function. Planning well ahead of time can reduce the amount of wiring, time spent building and troubleshooting. Simplified CircuitBravo to the class!! Mr. McG. |
| Unsimplified | Simplified |
|---|---|
![]() |
![]() |
![]() |
![]() |
![]() |
![]() |
![]() |
![]() |
![]() |
![]() |
![]() |
![]() |
![]() |
|
![]() |
![]() |